0511-83126338

15952864323

联系我们
电话:0511-83126338
手机:15952864323
地址:江苏省镇江市新区大路镇闸南路1号

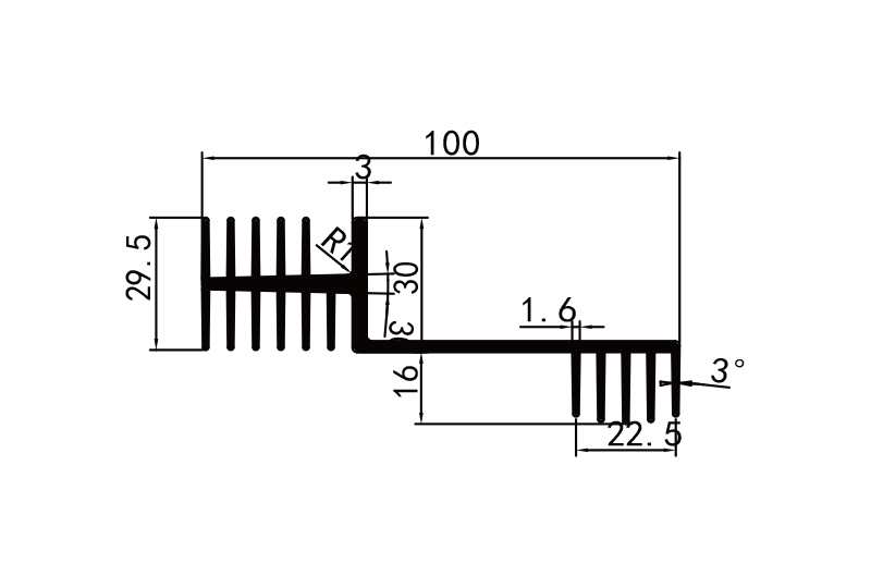
KS-10021

浏览: 发布日期:2019-08-25

  上一篇我们就KS-10020做了详细的展示和说明。本期我们简单的对KS-10021进行描述,作为专业的大功率半导体器件配套的散热器元件(插片散热器)生产制造厂家镇江市凯盛散热器有限公司,我们将尽心整理并发布各种型号规格散热器相关参数图片,供您选择,我公司电子散热器、型材散热器、插片散热器规格齐全、并支持定制开发。

  下一篇将对KS-10022做详细介绍,如需了解更多凯盛散热器的信息,请持续关注。

  KS-10021由电子散热器生产销售厂家镇江市凯盛散热器有限公司于 2019-08-25 23:48:22 整理发布。

  转载请注明出处:http://www.zjhlsrq.com/srqcs/10cm/471.html